Data Center Construction in 2026: How Modern AI-Ready Facilities Are Built
Introduction: What Is a Data Center and Why It Matters
In 2026, the digital revolution is driving an unprecedented demand for fast, scalable, and resilient data infrastructure. From artificial intelligence to cloud platforms and industrial IoT applications, the technologies that power our daily lives all depend on a single foundational element: the data center.
As a result, data center construction is becoming one of the most critical and rapidly evolving sectors in the built environment, where precision engineering and digital planning define project success.
A data center is no longer just a secured building with racks of servers. It’s a mission-critical facility that must ensure 24/7 uptime, resist physical and cyber threats, optimize cooling, and efficiently distribute power. As of 2024, humanity generated over 149 zettabytes of data.
By 2028, that number is projected to reach 400 zettabytes. Each byte of that data, whether it’s an AI model output, financial transaction, or cloud-based video stream, relies on facilities purpose-built for speed, resilience, and precision.
Data Centers in 2026: What’s Changing and Why It Matters?
To stay competitive, data centers in 2026 are evolving rapidly. Key trends influencing construction and design include:
- AI workloads and server density.
Increasing use of AI demands higher server density, which means stronger floors, improved cooling, and upgraded power delivery.
- Waste heat recovery and sustainability.
More facilities now reuse heat for district heating or industrial processes. For example, Equinix’s facility in Finland heats over 1,500 homes.
- Digital twins and BIM integration.
Entire data centers are planned and simulated virtually before a single component is built. This reduces rework and ensures alignment across trades.
- Immersion and liquid cooling.
With rack power densities exceeding 50 kW, builders must integrate advanced cooling systems directly into early-stage construction planning.
These trends are reshaping the very way data centers are built, +from layout to reinforcement, BIM modeling to prefabrication.
How Data Centers Are Built? A Step-by-Step Overview
Modern data center construction follows a fast-paced, engineering-heavy process. Here’s how it typically unfolds:
- Design and planning with BIM
- Site preparation and foundation work
- Structural assembly (prefab and in-situ)
- Mechanical, electrical and plumbing (MEP) coordination
- Cooling and redundancy systems installation
- Interior fit-out
- Commissioning and testing

This process blends digital modeling with factory-grade precision, especially in AI-focused facilities.
BIM: Where Every Project Begins
Building Information Modeling (BIM) has become the backbone of data center delivery. It’s not just about 3D modeling, it’s a digital workflow that allows engineers, fabricators, and site teams to work from the same source.
With BIM, we can identify design clashes before construction, optimize rebar placement to avoid embedded conflicts, and streamline sequencing. BIM also supports direct-to-fabrication workflows, reducing turnaround time for rebar bending schedules and prefabricated embeds.
Every sleeve, anchor, penetration, and conduit is positioned with digital accuracy, minimizing on-site modifications. In hyperscale projects where thousands of unique components are involved, this is essential for keeping schedules intact.
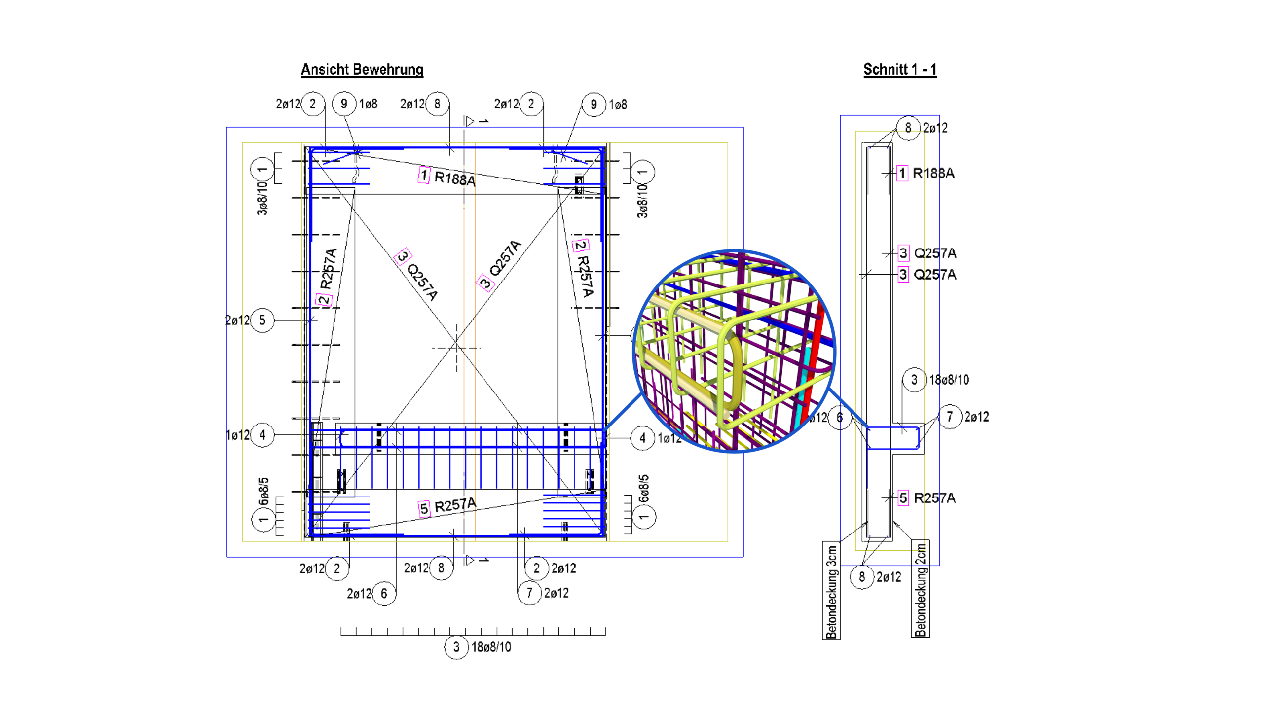
Rebar Detailing: Accuracy Is Non-Negotiable
Our team regularly supports hyperscale data centers using C50/60 high-strength concrete. Each column typically integrates:
- Lightning protection
- Sleeves for services
- Lifting anchors
- Reinforced zones for corbels and support beams
We model everything to factory tolerances, ensuring all reinforcements fit from the first pour. With timelines compressed, there is no room for trial and error—every detail is validated before production.
Prefabrication: Delivering Speed and Precision
More than 90% of today’s data center structures are prefabricated, including:
- Columns
- Walls
- Slabs
- Beams
Only the topping slab is cast in situ. This approach reduces waste, shortens schedules, and increases safety, provided that models are clash-free and fabrication-ready.
Accelerated On-Site Construction
For in-situ works, our clients use advanced formwork systems (e.g., PERI RCS, Doka) that integrate with BIM to accelerate work:
- One floor per week vs traditional two-week cycles
- Fewer formwork errors due to model-guided placements
- Improved worker safety and consistency
AI Data Centers: Construction Challenges in 2026
AI is not just transforming operations, it’s also changing construction:
- Higher server densities demand reinforced slabs and steel
- Larger cooling systems require early planning for routing
- AI tools now assist in detailing, sequencing, and logistics planning
Sustainability in Focus: Waste Heat Reuse
With global data center emissions under scrutiny, waste heat recovery is rising fast:
- Equinix (Finland): Heating 1,500+ homes
- Microsoft (Espoo): Building the largest global recovery system
- Amazon (Dublin): Cut CO₂ by 1,500 tons in year one

This adds complexity: heat exchangers, pipe routing, and access corridors must be modeled and coordinated early in the design process.
Shop Drawings for Data Centers
In recent projects, our team routinely delivers:
- Shop drawings in under 7 days
- Model updates within 48 – 72 hours
- Standardized reinforcement plans ready for any prefab factory
We don’t just deliver drawings, we enable AI-ready digital infrastructure at scale, speed, and with extreme precision.

Conclusion
From planning to prefabrication, modern data center construction demands tight coordination, digital tools, and deep engineering experience.
At NS Drafter, we bring precision, speed, and insight to every project, whether it’s a hyperscale AI data center or a smaller prefabricated facility.
If you’re building the future, let’s start with a line, one that’s coordinated, validated, and ready for production.
FAQ
What are the main stages of data center construction?
Planning, modeling, foundation work, structural assembly, MEP integration, fit-out, and final commissioning.
Why is BIM essential for 2026 data centers?
It ensures clash-free designs, rapid prefabrication, and seamless coordination across all trades.
How is a data center built?
Data centers are built using BIM-led planning, prefabricated structural elements, and precise rebar detailing to meet speed, stability, and cooling demands of modern computing.
What’s different about AI data centers?
They require denser server layouts, stronger structures, and advanced cooling, requiring high-precision models and faster construction cycles.
Do you work only on data centers?
No. We also support hospitals, industrial, and residential structures, all requiring complex modeling and coordination.
Can you model and detail reinforcement?
Yes. We provide full BIM modeling, rebar detailing, and shop drawing support, factory-ready.


